Posted by chelseaguann32@juaraaa.my.id
» Selasa, 16 November 2021
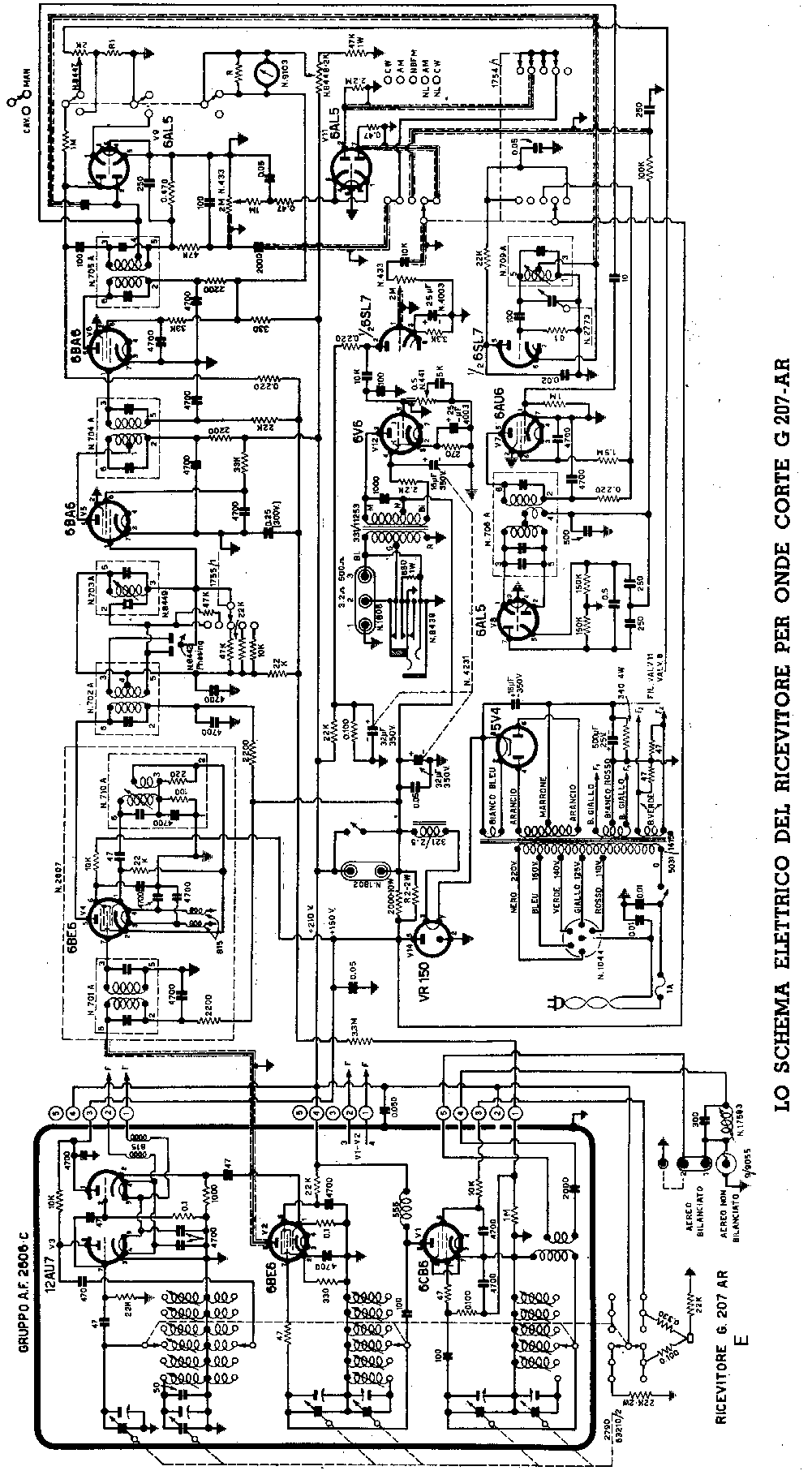
What do you think guys? This receiver covers 540kc to 31mc. These manuals are available for download and free of charge. Hammarlund hq 129 x hq129x communications receiver manual · hammarlund hq 120 x . I just bought a hammarlund hq129x.
Hammarlund Hq 120 X Hq120x Receiver Manual Ebay from i.ebayimg.com I am recapping my hammarlund and i have found that my electrolytics differ feom those listed in the manual. Hammarlund hq 129 x hq129x communications receiver manual · hammarlund hq 120 x . These manuals are available for download and free of charge. Navy rbg data plate says 63 lbs. This receiver covers 540kc to 31mc. Check all the voltages and finaly retune the rf and if stages according to the manual. I ordered a repro manual. Get the manual and do all the voltage and resistance checks, then do a complete alignment.
Get the manual and do all the voltage and resistance checks, then do a complete alignment.
Navy rbg data plate says 63 lbs. I just bought a hammarlund hq129x. Hammarlund hq 129 x hq129x communications receiver manual · hammarlund hq 120 x . This receiver covers 540kc to 31mc. I ordered a repro manual. Get the manual and do all the voltage and resistance checks, then do a complete alignment. These manuals are available for download and free of charge. What do you think guys? Check all the voltages and finaly retune the rf and if stages according to the manual. I am recapping my hammarlund and i have found that my electrolytics differ feom those listed in the manual.
I ordered a repro manual. I just bought a hammarlund hq129x. Check all the voltages and finaly retune the rf and if stages according to the manual. Get the manual and do all the voltage and resistance checks, then do a complete alignment. This receiver covers 540kc to 31mc.
Hammarlund Hq 129x from people.ohio.edu Hammarlund hq 129 x hq129x communications receiver manual · hammarlund hq 120 x . Get the manual and do all the voltage and resistance checks, then do a complete alignment. I just bought a hammarlund hq129x. This receiver covers 540kc to 31mc. Navy rbg data plate says 63 lbs. Check all the voltages and finaly retune the rf and if stages according to the manual. I ordered a repro manual. These manuals are available for download and free of charge.
These manuals are available for download and free of charge.
I just bought a hammarlund hq129x. I ordered a repro manual. Hammarlund hq 129 x hq129x communications receiver manual · hammarlund hq 120 x . These manuals are available for download and free of charge. Navy rbg data plate says 63 lbs. I am recapping my hammarlund and i have found that my electrolytics differ feom those listed in the manual. What do you think guys? Check all the voltages and finaly retune the rf and if stages according to the manual. Get the manual and do all the voltage and resistance checks, then do a complete alignment. This receiver covers 540kc to 31mc.
Check all the voltages and finaly retune the rf and if stages according to the manual. Get the manual and do all the voltage and resistance checks, then do a complete alignment. These manuals are available for download and free of charge. This receiver covers 540kc to 31mc. I just bought a hammarlund hq129x.
Ham Radio Equipment from www.qsl.net This receiver covers 540kc to 31mc. I just bought a hammarlund hq129x. I am recapping my hammarlund and i have found that my electrolytics differ feom those listed in the manual. Check all the voltages and finaly retune the rf and if stages according to the manual. Get the manual and do all the voltage and resistance checks, then do a complete alignment. I ordered a repro manual. What do you think guys? These manuals are available for download and free of charge.
What do you think guys?
I ordered a repro manual. Get the manual and do all the voltage and resistance checks, then do a complete alignment. This receiver covers 540kc to 31mc. Hammarlund hq 129 x hq129x communications receiver manual · hammarlund hq 120 x . I am recapping my hammarlund and i have found that my electrolytics differ feom those listed in the manual. These manuals are available for download and free of charge. What do you think guys? I just bought a hammarlund hq129x. Navy rbg data plate says 63 lbs. Check all the voltages and finaly retune the rf and if stages according to the manual.
Hammarlund Hq-129X Manual : Hammarlund Hq 129 X Hq129x Communications Receiver Manual Glendale Manuals :. This receiver covers 540kc to 31mc. Hammarlund hq 129 x hq129x communications receiver manual · hammarlund hq 120 x . Navy rbg data plate says 63 lbs. Get the manual and do all the voltage and resistance checks, then do a complete alignment. These manuals are available for download and free of charge.
ADS HERE !!!